SOSTITUZIONE CUFFIA SEMIASSE SINISTRO
Dopo aver sollevato, messo in sicurezza la Panda e smontato la ruota, ...
Scaricare
l'olio del cambio
Svitare e
rimuovere i bulloni che collegano l'ammortizzatore al montante
Svitare e
rimuovere il bullone che collega il braccio oscillante al telaio

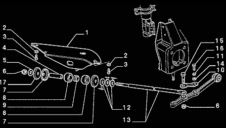
Svitare
il dado (part. 6 nell'immagine sotto) che collega il puntone (13) al supporto
(1)
(in alternativa si possono svitare le 3 viti (part. 3)che collegano il supporto al telaio)

A questo
punto è possibile rimuovere il gruppo del semiasse sinistro

Rimuovere
l'anello di sicurezza (seeger), sfilare la crociera dal semiasse e sfilare la
cuffia
Inserire
la cuffia nuova e rimontare invertendo le operazioni
Controllare che la flangia non sia danneggiata (come visibile nell'immagine
sotto a sinistra)
ed eventualmente sostituirla

Utilizzare l'olio del cambio precedentemente scaricato o eventualmente
utilizzare un olio nuovo
